0086 15335008985
Visão geral
A atuadora elétrica da válvula de várias turnos da série ZL é uma estrutura aprimorada e aperfeiçoada com base nos produtos maduros originais, com desempenho de proteção otimizado e componentes-chave. É um dispositivo de condução que realiza a abertura inteligente, o fechamento e a regulação do controle das válvulas. Esta série de atuadores tem as características de funções completas, desempenho confiável, sistema de controle avançado, tamanho pequeno, peso leve, fácil uso e manutenção, etc.
Os atuadores da série ZL são adequados para válvulas com movimento linear de peças de abertura e fechamento, como válvulas de portão, válvulas de parada, válvulas de diafragma, válvulas de êmbolo, válvulas de interceptação, portões de luta, etc. Eles podem ser usados para o aumento das válvulas -tronco e as válvulas de haste ocultas . Quando combinados com caixas de turbina, elas podem ser usadas para válvulas de esferas, válvulas e amortecedores de borboletas, etc. Eles podem executar controle local, controle remoto e controle automático em válvulas e são amplamente utilizados em indústrias como eletricidade, metalurgia, petróleo, produtos químicos Indústria, produtos farmacêuticos, serviços de água e irrigação agrícola.
Classificação
Tipo básico, tipo inteligente, tipo básico à prova de explosão, tipo inteligente à prova de explosão.
Ambiente de trabalho e principais condições técnicas
(1) Fonte de alimentação: AC380V trifásico, 50Hz;
Fonte de alimentação opcional: AC400V trifásico, 415V, 660V (50Hz, 60Hz)
AC220V monofásico, 110V (50Hz, 60Hz)
DC24V, 48V, 84V
(2) temperatura ambiente: -20ºC ~ 60ºC; Temperatura opcional: -40ºC ~ 70ºC
(3) umidade relativa: não mais que 95% (a 25 ° C)
(4) Ambiente de trabalho: o tipo comum é usado em locais sem mídia inflamável, explosiva e altamente corrosiva; O tipo à prova de chama (exdiiBT4) é usado em ambientes de IIA,
Misturas de gás explosivas da classe IIB, Grupos T1-T4
(5) Nível de proteção: IP65, IP67 (IP68 para ordem especial)
(6) O motor é do Tipo de dever de curto período de tempo: o tempo de operação nominal é de 10 minutos (15 a 30 minutos para pedidos especiais) e o isolamento da classe F.
(7) revestimento anticorrosão: pulverização eletrostática de alta temperatura em pó de plástico epóxi eletrostático e epóxi
(8) Principais características funcionais dos atuadores elétricos inteligentes
Design mecatrônico, tamanho pequeno e peso leve
Ele adota chip integrado digital, com funções poderosas e alta precisão.
Com design não intrusivo, a configuração e a depuração de parâmetros podem ser feitos por meio de botões ou controle remoto infravermelho sem abrir a tampa da caixa. A operação é simples e rápida e a vedação é maior.
O deslocamento do AVC adota um codificador absoluto, a posição da válvula não será perdida, a capacidade anti-interferência é forte, a precisão é maior e a vida útil do serviço é longa.
As legendas do LCD estão disponíveis em chinês ou inglês.
Possui funções como proteção contra limites de viagem, proteção de torque, alarme de estol, proteção de superaquecimento, proteção de falha de sinal, proteção contra perda de fase de energia e identificação e correção automática de sequência de fases.
Os tipos inteligentes incluem tipo de comutador inteligente, tipo de ajuste inteligente e tipo inteligente avançado.
(9) Sinal de entrada do tipo de comutação inteligente: pulso de 24VDC ou sinal de nível.
Sinal de saída: saída do relé, capacidade nominal de contato: 5A, 250VAC, 5A, 30VDC.
Posição de saída Sinal analógico: 4-20mA
Sinal de entrada analógica de regulação inteligente: 4-20MA
Sinal de saída analógica: 4-20mA
Sinal de entrada da chave: pulso de 24VDC ou sinal de nível.
Sinal de saída de comutação: saída do relé, capacidade nominal de contato: 5A, 250VAC, 5A, 30VDC.
Erro básico: ≤1
O tipo inteligente avançado pode suportar proteção de substituição de emergência ESD, comunicação de ônibus, Bluetooth, controle sem fio e outras funções.
Especificações do modelo e parâmetros de desempenho
| Modeloo | Torque nominal (NM) | Velocidade de saída (r/min) | Revoluções do eixo de saída (turnos) | Energia motora (KW) | Razão de velocidade manual | Diâmetro do caule máximo (mm) | Peso de referência (kg) |
| Zl5 | 50 | 18 | 180 | 0.12 | 1: 1 | 30 | 20 |
| ZL10 | 100 | 18 | 180 | 0.18 | 1: 1 | 30 | 20 |
| 24 | 180 | 0.25 | 1: 1 | 30 | 20 | ||
| 36 | 180 | 0.37 | 1: 1 | 30 | 20 | ||
| 48 | 180 | 0.55 | 1: 1 | 30 | 20 | ||
| ZL15 | 150 | 18 | 180 | 0.25 | 1: 1 | 30 | 20 |
| 24 | 180 | 0.37 | 1: 1 | 30 | 20 | ||
| 36 | 180 | 0.55 | 1: 1 | 30 | 20 | ||
| 48 | 180 | 0.75 | 1: 1 | 30 | 20 | ||
| ZL20 | 200 | 18 | 180 | 0.37 | 1: 1 | 40 | 29 |
| 24 | 180 | 0.55 | 1: 1 | 40 | 30 | ||
| 36 | 180 | 0.75 | 1: 1 | 40 | 34 | ||
| 48 | 180 | 1.1 | 1: 1 | 40 | 35 | ||
| ZL30 | 300 | 18 | 180 | 0.55 | 1: 1 | 40 | 30 |
| 24 | 180 | 0.75 | 1: 1 | 40 | 34 | ||
| 36 | 180 | 1.1 | 1: 1 | 40 | 35 | ||
| 48 | 180 | 1.5 | 1: 1 | 40 | 35 | ||
| ZL45 | 450 | 18 | 1300 | 0.75 | 1: 1 | 50 | 45 |
| 24 | 1300 | 1.1 | 1: 1 | 50 | 45 | ||
| 36 | 1300 | 1.5 | 1: 1 | 50 | 45 | ||
| 48 | 1300 | 2.2 | 1: 1 | 50 | 45 | ||
| ZL60 | 600 | 18 | 1300 | 1.1 | 1: 1 | 50 | 45 |
| 24 | 1300 | 1.5 | 1: 1 | 50 | 45 | ||
| 36 | 1300 | 2.2 | 1: 1 | 50 | 45 | ||
| 48 | 1300 | 3 | 1: 1 | 50 | 45 | ||
| ZL90 | 900 | 18 | 5500 | 1.5 | 1: 4 | 60 | 62 |
| 24 | 5500 | 2.2 | 1: 4 | 60 | 62 | ||
| 36 | 5500 | 3 | 1: 4 | 60 | 62 | ||
| 48 | 5500 | 4 | 1: 4 | 60 | 62 | ||
| ZL120 | 1200 | 18 | 5500 | 2.2 | 1: 4 | 60 | 63 |
| 24 | 5500 | 3 | 1: 4 | 60 | 63 | ||
| 36 | 5500 | 4 | 1: 4 | 60 | 63 | ||
| 48 | 5500 | 5 | 1: 4 | 60 | 63 |
Nota: Os parâmetros acima são para fornecimento normal. Se você tiver requisitos especiais, indique nossas vendas ao fazer o pedido.
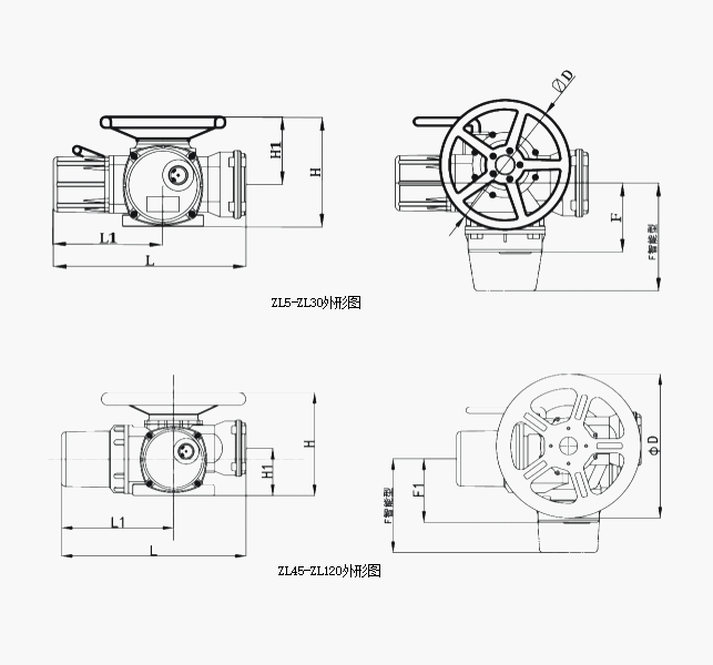
Dimensões do Atuador elétrico ZL
| Model | L | L1 | H | H1 | F | F (modelo inteligente) | D |
| ZL 05-15 | 430 | 252 | 230 | 97 | 159 | 227 | 298 |
| ZL 20-30 | 443 | 252 | 250 | 97 | 159 | 227 | 298 |
| ZL 45-60 | 520 | 330 | 300 | 150 | 250 | 318 | 395 |
| ZL 90-120 | 670 | 460 | 430 | 270 | 450 | 518 | 550 |
Dimensões da estrutura e conexão do flange
Dimensões da interface do atuador ZL (tipo de torque)
| Modelo do atuador | Modelo de flange | Detalhes do tamanho da interface de saída do atuador (tipo de torque JB 292 0) | ||||||||||
| D | D1 | D2 | D1 | D2 | nd | b | Direção do orifício do parafuso | h | H1 | H2 | ||
| Z L 05 Z L 10 Z L 15 | 2 | 115 | 95 | 75 | 26 | 39 | 4-m8 | 20 | 45 ° | 6 | 2 | 5 |
| 2 | 145 | 120 | 90 | 30 | 45 | 4-m10 | 20 | 45 ° | 8 | 2 | 5 | |
| ZL20 ZL30 | 3 | 145 | 120 | 90 | 30 | 45 | 4-m10 | 20 | 45 ° | 8 | 2 | 5 |
| 3 | 185 | 160 | 125 | 42 | 58 | 4-m12 | 20 | 45 ° | 10 | 2 | 5 | |
| Z L 45 Z L 60 | 4 | 225 | 195 | 150 | 52 | 68 | 4-m16 | 27 | 45 ° | 12 | 2 | 5 |
| Z L 90 Z L 120 | 5 | 225 | 195 | 150 | 52 | 68 | 4-m16 | 27 | 45 ° | 12 | 2 | 5 |
| 5 | 275 | 235 | 180 | 62 | 80 | 4-m20 | 40 | 45 ° | 14 | 2 | 5 | |
Dimensões da interface do atuador ZL (tipo de impulso)
| Modelo do atuador | Modelo de flange | Detalhes do tamanho da interface de saída do atuador (tipo de empuxo GB12222) | ||||||||
| D | D1 | D2 | D1 Frea trapezoidal (máx) | nd | b | Direção do orifício do parafuso | h | L | ||
| ZL05 / ZL10 / Z15 | F10 | 125 | 102 | 70 | TR28 | 4-m10 | 16 | 45 ° | 3 | 40 |
| ZL20 / ZL30 | F14 | 175 | 140 | 100 | TR36 | 4-m16 | 25 | 45 ° | 4 | 55 |
| ZL45 / ZL60 | F16 | 210 | 165 | 130 | TR44 | 4-m20 | 35 | 45 ° | 5 | 70 |
| ZL90 /ZL120 | F25 | 300 | 254 | 200 | TR60 | 8-m16 | 30 | 22,5 ° | 4 | 90 |





















